Näytä suppeat kuvailutiedot

Elritning av gasturbinen enligt IEC-standard

Karlsson, Tobias (2022)

dc.contributor.authorKarlsson, Tobias
dc.date.accessioned2022-05-17T08:42:55Z
dc.date.available2022-05-17T08:42:55Z
dc.date.issued2022-
dc.identifier.urihttp://www.theseus.fi/handle/10024/748670
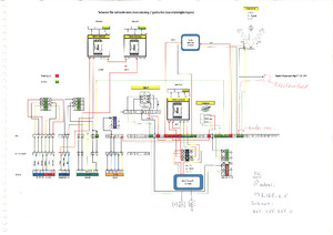
dc.description.abstractI mitt examensarbete gör jag en ny elritningen för gasturbinen som finns i Högskolan på Ålands maskinlaboratorium. Gasturbinen kommer från en svensk stridsvagn och har fått mycket kringutrustning med tiden. Arbetet går ut på att kontrollera alla kablar i anläggningen och göra en elritning enligt den internationella standarden IEC och skriva en studerandevänlig manual till den. Elritningen görs med AutoCAD och ska även innehålla en pneumatikdel.-
dc.language.isoswe-
dc.rightsCC BY 4.0-
dc.titleElritning av gasturbinen enligt IEC-standard-
dc.type.ontasotfi=AMK-opinnäytetyö|sv=YH-examensarbete|en=Bachelor's thesis|-
dc.identifier.urnURN:NBN:fi:amk-202205169534-
dc.subject.specializationEl- & Automation-
dc.subject.degreeprogramfi=Sähkötekniikka|sv=Elektroteknik|en=Electrical Engineering|-
dc.subject.ysostandarder-
dc.subject.ysoIEC-standarder-
dc.subject.ysoelritning-
dc.subject.ysogasturbiner-
dc.relation.contractorHögskolan på Åland-
dc.subject.disciplineIngenjör-
annif.suggestions.linkshttp://www.yso.fi/onto/yso/p4513|http://www.yso.fi/onto/yso/p10564|http://www.yso.fi/onto/yso/p26045|http://www.yso.fi/onto/yso/p6253|http://www.yso.fi/onto/yso/p12469|http://www.yso.fi/onto/yso/p4641|http://www.yso.fi/onto/yso/p178|http://www.yso.fi/onto/yso/p9347|http://www.yso.fi/onto/yso/p14053|http://www.yso.fi/onto/yso/p9907sv
annif.suggestions.linkshttp://www.yso.fi/onto/yso/p952|http://www.yso.fi/onto/yso/p8723|http://www.yso.fi/onto/yso/p12265|http://www.yso.fi/onto/yso/p9347|http://www.yso.fi/onto/yso/p6280|http://www.yso.fi/onto/yso/p19523|http://www.yso.fi/onto/yso/p1178|http://www.yso.fi/onto/yso/p1780|http://www.yso.fi/onto/yso/p5299|http://www.yso.fi/onto/yso/p18165sv
annif.suggestions.linkshttp://www.yso.fi/onto/yso/p3971|http://www.yso.fi/onto/yso/p7308|http://www.yso.fi/onto/yso/p1223|http://www.yso.fi/onto/yso/p1380|http://www.yso.fi/onto/yso/p5029|http://www.yso.fi/onto/yso/p5779|http://www.yso.fi/onto/yso/p795|http://www.yso.fi/onto/yso/p105087|http://www.yso.fi/onto/yso/p3702|http://www.yso.fi/onto/yso/p1956fi
annif.suggestions.linkshttp://www.yso.fi/onto/yso/p4781|http://www.yso.fi/onto/yso/p9510|http://www.yso.fi/onto/yso/p4513|http://www.yso.fi/onto/yso/p4262|http://www.yso.fi/onto/yso/p1780|http://www.yso.fi/onto/yso/p11237|http://www.yso.fi/onto/yso/p9080|http://www.yso.fi/onto/yso/p7491|http://www.yso.fi/onto/yso/p21210|http://www.yso.fi/onto/yso/p3971fi


Tiedostot

Thumbnail
Thumbnail
Thumbnail
Thumbnail
Thumbnail
Thumbnail
Thumbnail
Thumbnail
Thumbnail
Thumbnail
Thumbnail

Viite kuuluu kokoelmiin:

Näytä suppeat kuvailutiedot